S275 carbon Steel Container House C purlin making roll forming machine
Uses: for the desert container houses beam, frames used
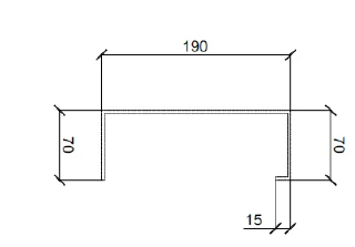
Cpurlin products specifications:
Thickness: 2.0-3.0mm can be customized
Raw material length: 340mm, different lengths can be customized
Length: different lengths can be customized
Product features of c purlins:
The material is made of high-quality s 275 strength carbon steel sheets
Range of use:
It is used in the frames or beams ofcontainer houses. And can also be used in car beam ( 1100Mpa high strength material)NO. Description Quantity (set)
1 5Thydraulic decoiler 1
2 Leveling part1
3 Guiding device 1
4 Forming system with ribs 1
5 Transmission system 1
6 Hydraulic guillotine 1
7 Support table 1
8 Hydraulic pump station 1
9 Control box 1
10 Spare parts and tools 1
motor :
Automatic hydraulic cutting
Hydraulic decoiler
Run out table
WHY CHOOSE US?







































